U3510

•产品描述:U3510是一款高压降压开关稳压器,用于驱动外部功率MOSFET。输入范围适应各种降压应用,使其成为汽车,工业和照明应用的理想选择。采用滞回电压模式控制,响应速度非常快。UNIU专有的反馈控制方案最大限度地减少了所需外部组件的数量。开关频率为80KHz,允许元件尺寸小。热关闭和短路关闭(SCS)提供可靠和容错的操作。低静态电流允许U3510用于电池供电的应用。

•主要特点:内部集成自举电源电路;DC-DC 12V典型开关电流应用;滞回控制:无补偿;80KHz开关频率;降压应用PWM控制输入;集成IC短路关断(SCS);低静态电流;热关断

•应用范围:采购产品踏板车,电动自行车控制电源;太阳能系统;汽车系统电源;工业电源;大功率LED驱动器

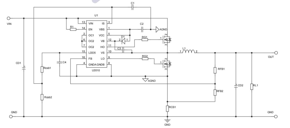
•典型应用电路:

                                                                                                  

规格书下载点击此处

浙江
绍兴市越城区斗门街道袍渎路25号中节能科创园45幢4/5楼
电话:86-0575-85087896/189 6955 0959
传真:86-0575-88125157
邮箱:htw@uni-semic.com
深圳
深圳市宝安区航城街道三围社区南昌路上合工业园B2栋501
电话:86-0755-84510976/ 186 8893 5081/ 138 2367 5600
传真:86-0755-23956317
邮箱:htw@uni-semic.com
中国台湾
中国台湾台北市中山区松江路295號东方大厦12楼
电话:886-2-32346767
传真:886-2-32346768
邮箱:htw@uni-semic.com
中国香港
香港新界北区粉岭老围村46号一楼
电话:085-2-26778307
传真:085-2-26778306
邮箱:htw@uni-semic.com
无锡
江苏省无锡市锡山区先锋中路6号中国电子(无锡)数字芯城1#综合楼503室
电话:0510-85297939/18012476677
邮箱:htw@uni-semic.com
绍兴市越城区斗门街道袍渎路25号中节能科创园45幢4/5楼
内贸部:
电话:86-0575-85087896/189 6955 0959
传真:86-0575-88125157
邮箱:htw@uni-semic.com
国贸部:
电话:86-0575-85087896/189 5751 4882
传真:86-0575-88125157
邮箱:angela@uni-semic.com

Copyright © 2015-2023 绍兴宇力半导体有限公司 浙公网安备33060202001577 浙ICP备2020037221号-1

技术支持:蓝韵网络