78M05

■特性:

●输出电流大于0.5A●输出电压5V●内部热过载保护●内部短路限流

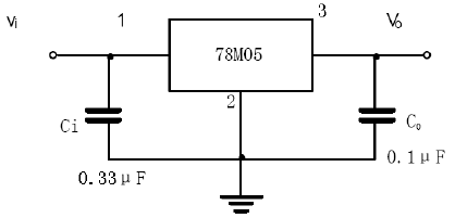
典型应用电路 






规格书下载点击此处

浙江
绍兴市越城区斗门街道袍渎路25号中节能科创园45幢4/5楼
电话:86-0575-85087896/189 6955 0959
传真:86-0575-88125157
邮箱:htw@uni-semic.com
深圳
深圳市宝安区航城街道三围社区南昌路上合工业园B2栋501
电话:86-0755-84510976/ 186 8893 5081/ 138 2367 5600
传真:86-0755-23956317
邮箱:htw@uni-semic.com
中国台湾
中国台湾台北市中山区松江路295號东方大厦12楼
电话:886-2-32346767
传真:886-2-32346768
邮箱:htw@uni-semic.com
中国香港
香港新界北区粉岭老围村46号一楼
电话:085-2-26778307
传真:085-2-26778306
邮箱:htw@uni-semic.com
无锡
江苏省无锡市锡山区先锋中路6号中国电子(无锡)数字芯城1#综合楼503室
电话:0510-85297939/18012476677
邮箱:htw@uni-semic.com
绍兴市越城区斗门街道袍渎路25号中节能科创园45幢4/5楼
内贸部:
电话:86-0575-85087896/189 6955 0959
传真:86-0575-88125157
邮箱:htw@uni-semic.com
国贸部:
电话:86-0575-85087896/189 5751 4882
传真:86-0575-88125157
邮箱:angela@uni-semic.com

Copyright © 2015-2023 绍兴宇力半导体有限公司 浙公网安备33060202001577 浙ICP备2020037221号-1

技术支持:蓝韵网络