•产品描述:
U6206系列是一款采用CMOS和激光微调技术制造的高精度、低功耗、三端正电压稳压器。 该系列提供大电流并具有非常小的压差。 U6206由限流电路、驱动三极管、精密参考电压和纠错电路组成。 系列兼容低 ESR 陶瓷电容器。 限流器的折返电路用作短路保护以及输出引脚的输出限流器。 输出电压在内部由激光修整技术。 它可以在 1.2V 至 5.0V 的范围内以 0.1V 的增量进行选择。U6206 系列有 SOT-23、SOT23-3 和 SOT-89 封装。
特点:
●低功耗●低压降●低温系数●低静态电流:6V时3uA●输出电压精度,误差±2%
应用程序:
●电池供电设备●参考电压源●摄像机、摄像机●便携式av系统●移动电话●便携式游戏
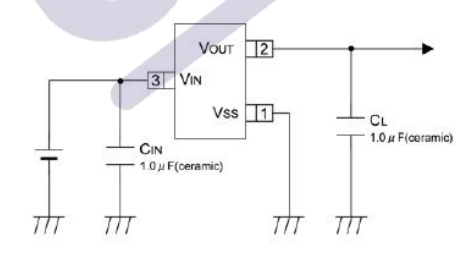
典型应用电路:

Copyright © 2015-2023 绍兴宇力半导体有限公司
浙公网安备33060202001577
浙ICP备2020037221号-1
技术支持:蓝韵网络